RM-GBM-ITG-Micro Gripper (ITG)

Large Gripping Force

Various stroke options

High Rigidity

NPLA Linear Actuator

Product Model and Specifications - ITG Integrated (Built-in Controller)

Model RM-GBM-06-26-64-ITG
Size Code 06
Stroke (mm) 26
Max.gripping Force (N) 50
Repeat Positioning Accuracy (mm) ±0.02
Max.opening/closing Time (s) 0.45/0.45
Permissible Load Torque (N.m) MR: 2.5, MP: 2, MY: 3
Controller Controller Built-in
Control Method - Bus Modbus RTU
Control Method - Interface I/O
I/O Interface Input 3 Points(NPN), Output 3 Points(NPN)
Rated Voltage (V) 24±10%
Rated Current (A) 1
Weight (kg) 0.4
Usage Environment 0~40℃, < 85%RH (Non-condensing)
Protection Class IP IP40

Product Advantages

Torque Direction

Image 1
Image 2
Image 3
Image 4
Large Image

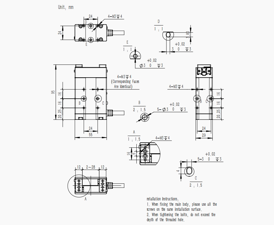
Dimensions of RM-GBM-06-26-64-1-D0300-ITG

Dimensions of RM-GBM-06-26-64-1-D0300-ITG

Technical Drawing

Frequently Asked Questions

Download Center

Technical Documentation

Get product documentation and specifications

Download

Applications

More Products

Learn more about our products

View All